Kenmore Dryer Baffle Repair : Before calling a technician to repair your dryer, you might be pleased and even surprised to learn that you can do many repairs yourself.

Kenmore Dryer Baffle Repair : Before calling a technician to repair your dryer, you might be pleased and even surprised to learn that you can do many repairs yourself.. Learn how easy it is to repair your broken dryer. Before calling a technician to repair your dryer, you might be pleased and even surprised to learn that you can do many repairs yourself. Jan 30, 2016 | whirlpool lte5243dq 24 thin twin electric. Then buy a new dryer (maybe over the july 4th sale time), it's often not worth the repair cost. Dryer heating element * 1.

Free appliance repair help, parts and troubleshooting advice for nonprofessionals. Step by step instructions on how to replace a dryer thermal fuse for kenmore 110.60022010 no heat or not enough heat #ap6008325 for dryer, washer dryer combo made by whirlpool, kitchenaid, roper. We're here to help you make easy work of your dryer repair, with our online help it only takes our customers an average of 30 minutes or less to fix their dryers. Find any part in 3 clicks, free shipping options, if it's broke, fix it! Kenmore 11076914692 dryer parts and accessories.

Lg Replacement Drum Baffle For Dryer Part 4432el1002a Hd Supply
Lg Replacement Drum Baffle For Dryer Part 4432el1002a Hd Supply from images.hdsupplysolutions.com
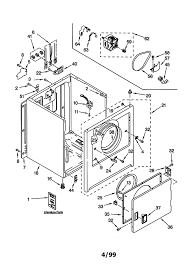
Kenmore 11076914692 dryer parts and accessories. The problem could be a bad thermal fuse, a thermistor, or in my case, the electric heating element. If your kenmore dryer is not working correctly and is over 13 years old it may be time to replace it but if it is under 13 years old, you may just to work with one of our technicians for minor repairs to get it back. The instructions below from diyers like you make the repair simple and easy. Learn how easy it is to repair your broken dryer. Our comprehensive kenmore dryer error code guide will explain common issues, provide tips, and show you how to read your model's error codes. Lifetime coverage on dryer drum and baffles applies only to purchases dated on or if the appliance cannot be repaired it will be replaced free of charge. Lifetime on dryer drum and baffles.

All repairs and servicing must be performed by.

Press the stop button to clear the display. Lifetime on dryer drum and baffles. Two 3/16th inch terminal thermal fuse, measures. The instructions below from diyers like you make the repair simple and easy. Repair your existing kenmore dryer control board that is causing that dreaded f01 error code for good! Repair man said the timer needs to be replaced to work on time dry, but not necessary to dry my. Dryer heating element * 1. Those are a little tricky baffles to remove u should slide them toward u should come off they are tight. Rumble — replacing the drum support rollers on a kenmore dryer. A comprehensive list of kenmore dryer error codes. Looking for a kenmore clothes dryer repair manual? If your kenmore elite dryer runs but does not heat then there are a series of troubleshooting steps you can do yourself to repair your dryer. Assuming that you have a kenmore dryer made by whirlpool (with the lint filter on the top, not in the drum), then you have several things that need to work in the heating circuit.

Our comprehensive kenmore dryer error code guide will explain common issues, provide tips, and show you how to read your model's error codes. The drum tumbles clothes around, speeding up. The instructions below from diyers like you make the repair simple and easy. A comprehensive list of kenmore dryer error codes. We're here to help you make easy work of your dryer repair, with our online help it only takes our customers an average of 30 minutes or less to fix their dryers.

Dryer Makes Noise Causes How To Fix A Noisy Dryer
Dryer Makes Noise Causes How To Fix A Noisy Dryer from fixappliances.ca
Are your wet clothes piling up??? Kenmore 11076914692 dryer parts and accessories. Press the stop button to clear the display. Free appliance repair help, parts and troubleshooting advice for nonprofessionals. My kenmore dryer (model 11086880100) stopped heating. Lifetime on dryer drum and baffles. The problem could be a bad thermal fuse, a thermistor, or in my case, the electric heating element. The most common reason for.

If your kenmore dryer is not working correctly and is over 13 years old it may be time to replace it but if it is under 13 years old, you may just to work with one of our technicians for minor repairs to get it back.

This guide helps with basic problems, such as noise, dryer not heating up and failure to start. Then buy a new dryer (maybe over the july 4th sale time), it's often not worth the repair cost. The most common reason for. In this article i cover all the disassembly steps and how to fix. We're here to help you make easy work of your dryer repair, with our online help it only takes our customers an average of 30 minutes or less to fix their dryers. Repair your existing kenmore dryer control board that is causing that dreaded f01 error code for good! The problem could be a bad thermal fuse, a thermistor, or in my case, the electric heating element. Customers who viewed this item also viewed. Our comprehensive kenmore dryer error code guide will explain common issues, provide tips, and show you how to read your model's error codes. Are your wet clothes piling up??? This repair service is for a faulty kenmore, crosley, or frigidaire dryer control board, part #137008010nh, and related boards listed below that is causing your dryer to display the following. Kenmore dishwasher repairs, kenmore dryer repairs, kenmore microwave repairs, kenmore range repairs. Step by step instructions on how to replace a dryer thermal fuse for kenmore 110.60022010 no heat or not enough heat #ap6008325 for dryer, washer dryer combo made by whirlpool, kitchenaid, roper.

An authorized servicer unless specifically recommended in this owner's guide. A comprehensive list of kenmore dryer error codes. This guide helps with basic problems, such as noise, dryer not heating up and failure to start. Kenmore 11076914692 dryer parts and accessories. Kenmore elite dryer error code = pf error condition = power failure check or repair needed = power failure while the dryer was in cycle.

Buy Ps344761 Kenmore Aftermarket Replacement Dryer Flame Sensor Online In Kuwait B011logv8s
Buy Ps344761 Kenmore Aftermarket Replacement Dryer Flame Sensor Online In Kuwait B011logv8s from images-na.ssl-images-amazon.com
This includes kenmore refrigerators, kenmore dishwashers, kenmore ovens and kenmore washing machines. Kenmore appliance repair, kenmore refrigerator repair, kenmore cooktop repair, kenmore dishwasher repair, kenmore washer repair, kenmore repair, kenmore dryer repair. I have a kenmore gas dryer. Repair your existing kenmore dryer control board that is causing that dreaded f01 error code for good! Free service calls with repairs. Kenmore dishwasher repairs, kenmore dryer repairs, kenmore microwave repairs, kenmore range repairs. Learn how easy it is to repair your broken dryer. Customers who viewed this item also viewed.

The drum tumbles clothes around, speeding up.

The dryer heater replacement components are especially suitable for samsung, sears, kenmore, kitchen specifications: Lifetime coverage on dryer drum and baffles applies only to purchases dated on or if the appliance cannot be repaired it will be replaced free of charge. Las cruces appliance repair is able to fix almost all issues with. If your kenmore elite dryer runs but does not heat then there are a series of troubleshooting steps you can do yourself to repair your dryer. All repairs and servicing must be performed by. A comprehensive list of kenmore dryer error codes. In this article i cover all the disassembly steps and how to fix. When the dryer is started, a pulley on the end of the motor's shaft turns the belt, which then turns the drum. Kenmore 11076914692 dryer parts and accessories. Looking for a kenmore clothes dryer repair manual? Here is my dryer issue. The instructions below from diyers like you make the repair simple and easy. Press the stop button to clear the display.

Posting Komentar

Lebih baru Lebih lama